地址:長沙市樹木嶺工業園
網址:m.nmgdylt.com
電話:0731-86889922
傳真:0731-86889922
來源:長沙鼓風機廠發布時間:2019-05-29 10:39



|
型號 |
輸送介質 |
進口工況 |
升壓(kpa) |
軸功率(kW) |
電機功率(kW) |
||
|
流量(m3/min) |
壓力(kgf/cm2) |
溫度(℃) |
|||||
|
C50-1.2 |
空氣 |
50 |
1.0 |
20 |
19.6 |
21 |
30 |
|
C50-1.3 |
空氣 |
50 |
1.0 |
20 |
29.4 |
33.5 |
45 |
|
C50-1.4 |
空氣 |
50 |
1.0 |
20 |
39.2 |
43.7 |
55 |
|
C50-1.5 |
空氣 |
50 |
1.0 |
20 |
49.0 |
53.2 |
75 |
|
C50-1.6 |
空氣 |
50 |
1.0 |
20 |
58.8 |
67.9 |
90 |
|
C60-1.2 |
空氣 |
60 |
1.0 |
20 |
19.6 |
27.1 |
37 |
|
C60-1.3 |
空氣 |
60 |
1.0 |
20 |
29.4 |
40.4 |
55 |
|
C60-1.4 |
空氣 |
60 |
1.0 |
20 |
39.2 |
50.7 |
75 |
|
C60-1.5 |
空氣 |
60 |
1.0 |
20 |
49.0 |
69.1 |
90 |
|
C60-1.6 |
空氣 |
60 |
1.0 |
20 |
58.8 |
79.1 |
110 |
|
C80-1.2 |
空氣 |
80 |
1.0 |
20 |
19.6 |
35.2 |
45 |
|
C80-1.3 |
空氣 |
80 |
1.0 |
20 |
29.4 |
53.3 |
75 |
|
C80-1.4 |
空氣 |
80 |
1.0 |
20 |
39.2 |
70.7 |
90 |
|
C80-1.5 |
空氣 |
80 |
1.0 |
20 |
49.0 |
89.5 |
110 |
|
C80-1.6 |
空氣 |
80 |
1.0 |
20 |
58.8 |
104 |
132 |
|
C80-1.7 |
空氣 |
80 |
1.0 |
20 |
68.6 |
120 |
160 |
|
C100-1.2 |
空氣 |
100 |
1.0 |
20 |
19.6 |
45.7 |
55 |
|
C100-1.3 |
空氣 |
100 |
1.0 |
20 |
29.4 |
68.0 |
90 |
|
C100-1.4 |
空氣 |
100 |
1.0 |
20 |
39.2 |
90.0 |
110 |
|
C100-1.5 |
空氣 |
100 |
1.0 |
20 |
49.0 |
111 |
132 |
|
C100-1.6 |
空氣 |
100 |
1.0 |
20 |
58.8 |
131 |
160 |
|
C100-1.7 |
空氣 |
100 |
1.0 |
20 |
68.6 |
153 |
185 |
|
C125-1.2 |
空氣 |
125 |
1.0 |
20 |
19.6 |
57 |
75 |
|
C125-1.3 |
空氣 |
125 |
1.0 |
20 |
29.4 |
85.0 |
110 |
|
C125-1.4 |
空氣 |
125 |
1.0 |
20 |
39.2 |
111 |
132 |
|
C125-1.5 |
空氣 |
125 |
1.0 |
20 |
49.0 |
137 |
160 |
|
C125-1.6 |
空氣 |
125 |
1.0 |
20 |
58.8 |
163 |
185 |
|
C125-1.7 |
空氣 |
125 |
1.0 |
20 |
68.6 |
188 |
220 |
|
C150-1.2 |
空氣 |
150 |
1.0 |
20 |
19.6 |
66.2 |
90 |
|
C150-1.3 |
空氣 |
150 |
1.0 |
20 |
29.4 |
97.7 |
132 |
|
C150-1.4 |
空氣 |
150 |
1.0 |
20 |
39.2 |
129 |
160 |
|
C150-1.5 |
空氣 |
150 |
1.0 |
20 |
49.0 |
160 |
185 |
|
C150-1.6 |
空氣 |
150 |
1.0 |
20 |
58.8 |
191 |
220 |
|
C150-1.7 |
空氣 |
150 |
1.0 |
20 |
68.6 |
221.3 |
250 |
|
C150-1.8 |
空氣 |
150 |
1.0 |
20 |
78.4 |
249.1 |
315 |
|
C200-1.2 |
空氣 |
200 |
1.0 |
20 |
19.6 |
87.6 |
110 |
|
C200-1.3 |
空氣 |
200 |
1.0 |
20 |
29.4 |
129.3 |
160 |
|
C200-1.4 |
空氣 |
200 |
1.0 |
20 |
39.2 |
171 |
200 |
|
C200-1.5 |
空氣 |
200 |
1.0 |
20 |
49.0 |
212 |
250 |
|
C200-1.6 |
空氣 |
200 |
1.0 |
20 |
58.8 |
241 |
280 |
|
C200-1.7 |
空氣 |
200 |
1.0 |
20 |
68.6 |
279 |
355 |
|
C200-1.8 |
空氣 |
200 |
1.0 |
20 |
78.4 |
327 |
400 |
|
C250-1.2 |
空氣 |
250 |
1.0 |
20 |
19.6 |
109 |
132 |
|
C250-1.3 |
空氣 |
250 |
1.0 |
20 |
29.4 |
161 |
185 |
|
C250-1.4 |
空氣 |
250 |
1.0 |
20 |
39.2 |
212 |
250 |
|
C250-1.5 |
空氣 |
250 |
1.0 |
20 |
49.0 |
263 |
315 |
|
C250-1.6 |
空氣 |
250 |
1.0 |
20 |
58.8 |
312 |
355 |
|
C250-1.7 |
空氣 |
250 |
1.0 |
20 |
68.6 |
360 |
450 |
|
C250-1.8 |
空氣 |
250 |
1.0 |
20 |
78.4 |
406 |
500 |
|
C300-1.3 |
空氣 |
300 |
1.0 |
20 |
29.4 |
191 |
220 |
|
C300-1.4 |
空氣 |
300 |
1.0 |
20 |
39.2 |
251 |
315 |
|
C300-1.5 |
空氣 |
300 |
1.0 |
20 |
49.0 |
311 |
400 |
|
C300-1.6 |
空氣 |
300 |
1.0 |
20 |
58.8 |
369 |
450 |
|
C300-1.7 |
空氣 |
300 |
1.0 |
20 |
68.6 |
426 |
500 |
|
C300-1.8 |
空氣 |
300 |
1.0 |
20 |
78.4 |
480 |
560 |
|
C300-1.9 |
空氣 |
300 |
1.0 |
20 |
88.2 |
532 |
630 |
|
C350-1.3 |
空氣 |
350 |
1.0 |
20 |
29.4 |
150 |
185 |
|
C350-1.4 |
空氣 |
350 |
1.0 |
20 |
39.2 |
221 |
250 |
|
C350-1.5 |
空氣 |
350 |
1.0 |
20 |
49.0 |
291 |
355 |
|
C350-1.6 |
空氣 |
350 |
1.0 |
20 |
58.8 |
361 |
450 |
|
C350-1.7 |
空氣 |
350 |
1.0 |
20 |
68.6 |
428 |
500 |
|
C350-1.8 |
空氣 |
350 |
1.0 |
20 |
78.4 |
552 |
630 |
|
C350-1.9 |
空氣 |
350 |
1.0 |
20 |
88.2 |
611 |
710 |
|
C400-1.3 |
空氣 |
400 |
1.0 |
20 |
29.4 |
249 |
315 |
|
C400-1.4 |
空氣 |
400 |
1.0 |
20 |
39.2 |
328 |
400 |
|
C400-1.5 |
空氣 |
400 |
1.0 |
20 |
49.0 |
404 |
500 |
|
C400-1.6 |
空氣 |
400 |
1.0 |
20 |
58.8 |
482 |
560 |
|
C400-1.7 |
空氣 |
400 |
1.0 |
20 |
68.6 |
557 |
630 |
|
C400-1.8 |
空氣 |
400 |
1.0 |
20 |
78.4 |
626 |
710 |
|
C400-1.9 |
空氣 |
400 |
1.0 |
20 |
88.2 |
694 |
800 |
|
C400-2 |
空氣 |
400 |
1.0 |
20 |
98 |
775 |
900 |
|
C500-1.5 |
空氣 |
500 |
1.0 |
20 |
49.0 |
505 |
630 |
|
C500-1.6 |
空氣 |
500 |
1.0 |
20 |
58.8 |
603 |
710 |
|
C500-1.7 |
空氣 |
500 |
1.0 |
20 |
68.6 |
701 |
800 |
|
C500-1.8 |
空氣 |
500 |
1.0 |
20 |
78.4 |
789 |
900 |
|
C500-1.9 |
空氣 |
500 |
1.0 |
20 |
88.2 |
874 |
1000 |
|
C500-2.0 |
空氣 |
500 |
1.0 |
20 |
98 |
969 |
1120 |
|
C500-2.1 |
空氣 |
500 |
1.0 |
20 |
107.8 |
1066 |
1250 |
|
C600-1.5 |
空氣 |
600 |
1.0 |
20 |
49.0 |
606 |
710 |
|
C600-1.6 |
空氣 |
600 |
1.0 |
20 |
58.8 |
723 |
900 |
|
C600-1.7 |
空氣 |
600 |
1.0 |
20 |
68.6 |
841 |
1000 |
|
C600-1.8 |
空氣 |
600 |
1.0 |
20 |
78.4 |
946 |
1120 |
|
C600-1.9 |
空氣 |
600 |
1.0 |
20 |
88.2 |
1048 |
1250 |
|
C600-2.0 |
空氣 |
600 |
1.0 |
20 |
98 |
1162 |
1400 |
|
C600-2.1 |
空氣 |
600 |
1.0 |
20 |
107.8 |
1269 |
1400 |
|
C600-2.2 |
空氣 |
600 |
1.0 |
20 |
117.6 |
1374 |
1600 |
|
C600-2.5 |
空氣 |
600 |
1.0 |
20 |
147 |
1635 |
1800 |
|
C800-1.5 |
空氣 |
800 |
1.0 |
20 |
49 |
805 |
900 |
|
C800-2.0 |
空氣 |
800 |
1.0 |
20 |
98 |
1549 |
1800 |
|
C800-2.5 |
空氣 |
800 |
1.0 |
20 |
147 |
2190 |
2500 |
|
C1000-1.5 |
空氣 |
1000 |
1.0 |
20 |
49 |
1060 |
1250 |
|
C1000-2.0 |
空氣 |
1000 |
1.0 |
20 |
98 |
1936 |
2240 |
|
C1000-2.5 |
空氣 |
1000 |
1.0 |
20 |
147 |
2738 |
2500 |



|
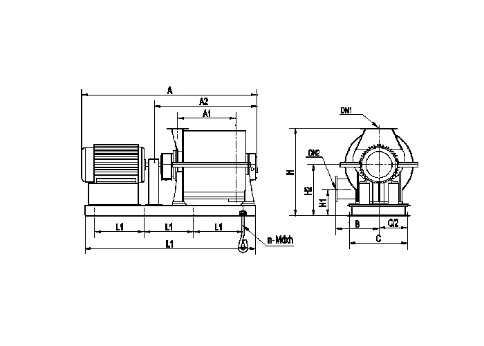
風機型號 |
A |
A1 |
A2 |
B |
C |
H2 |
H1 |
H |
L |
L1 |
DN1 |
DN2 |
n-Mdxh |
|
C60-1.4 |
2670 |
950 |
1590 |
700 |
880 |
885 |
460 |
1635 |
2300 |
650 |
250 |
250 |
8-M24x500 |
|
C60-1.5 |
2780 |
1050 |
1680 |
700 |
880 |
885 |
460 |
1635 |
2400 |
700 |
250 |
250 |
8-M24x500 |
|
C80-1.5 |
2980 |
1050 |
1600 |
700 |
880 |
885 |
460 |
1635 |
2600 |
750 |
300 |
250 |
8-M24x500 |
|
C80-1.7 |
3110 |
1415 |
1800 |
700 |
880 |
885 |
460 |
1635 |
3000 |
900 |
300 |
250 |
8-M24x500 |
|
C100-1.2 |
2440 |
710 |
1510 |
800 |
1150 |
980 |
400 |
1635 |
2000 |
600 |
350 |
300 |
8-M24x500 |
|
C100-1.3 |
2740 |
890 |
1690 |
800 |
1150 |
980 |
400 |
1635 |
2300 |
650 |
350 |
300 |
8-M24x500 |
|
C100-1.4 |
3110 |
1070 |
1870 |
800 |
1150 |
980 |
400 |
1635 |
2400 |
700 |
350 |
300 |
8-M24x500 |
|
C100-1.5 |
3180 |
1070 |
1870 |
800 |
1150 |
980 |
400 |
1635 |
2500 |
700 |
350 |
300 |
8-M24x500 |
|
C100-1.6 |
3360 |
1250 |
2050 |
800 |
1150 |
980 |
400 |
1635 |
3000 |
900 |
350 |
300 |
8-M24x630 |
|
C100-1.7 |
3540 |
1430 |
2230 |
800 |
1150 |
980 |
400 |
1635 |
3000 |
900 |
350 |
300 |
8-M24x630 |
|
C125-1.2 |
2510 |
710 |
1510 |
800 |
1150 |
980 |
400 |
1635 |
2100 |
600 |
350 |
300 |
8-M24x500 |
|
C125-1.3 |
2930 |
890 |
1690 |
800 |
1150 |
980 |
400 |
1635 |
2500 |
700 |
350 |
300 |
8-M24x500 |
|
C125-1.4 |
3180 |
1070 |
1870 |
800 |
1150 |
980 |
400 |
1635 |
2800 |
800 |
350 |
300 |
8-M24x500 |
|
C125-1.5 |
3180 |
1070 |
1870 |
800 |
1150 |
980 |
400 |
1635 |
2800 |
800 |
350 |
300 |
8-M24x500 |
|
C125-1.6 |
3360 |
1250 |
2050 |
800 |
1150 |
980 |
400 |
1635 |
3000 |
900 |
350 |
300 |
8-M24x630 |
|
C125-1.7 |
3770 |
1430 |
2230 |
800 |
1150 |
980 |
400 |
1635 |
3150 |
900 |
350 |
300 |
8-M24x630 |
|
C150-1.2 |
2450 |
600 |
1400 |
800 |
1150 |
980 |
495 |
1830 |
2300 |
650 |
400 |
350 |
8-M24x630 |
|
C150-1.3 |
2910 |
800 |
1600 |
800 |
1150 |
980 |
495 |
1830 |
2500 |
700 |
400 |
350 |
8-M24x630 |
|
C150-1.4 |
3110 |
1000 |
1800 |
800 |
1150 |
980 |
495 |
1830 |
2750 |
800 |
400 |
350 |
8-M30x800 |
|
C150-1.5 |
3310 |
1200 |
2000 |
800 |
1150 |
980 |
495 |
1830 |
2950 |
900 |
400 |
350 |
8-M30x800 |
|
C150-1.6 |
3540 |
1200 |
2000 |
800 |
1150 |
980 |
495 |
1830 |
2950 |
900 |
400 |
350 |
8-M30x800 |
|
C150-1.7 |
3760 |
1400 |
2200 |
800 |
1150 |
980 |
495 |
1830 |
3150 |
900 |
400 |
350 |
8-M30x800 |
|
C150-1.8 |
3940 |
1600 |
2400 |
800 |
1150 |
980 |
495 |
1830 |
3350 |
1000 |
400 |
350 |
8-M30x800 |
|
C200-1.2 |
2740 |
660 |
1500 |
800 |
1200 |
980 |
495 |
1830 |
2400 |
700 |
400 |
400 |
8-M24x630 |
|
C200-1.3 |
3010 |
860 |
1700 |
800 |
1200 |
980 |
495 |
1830 |
2700 |
800 |
400 |
400 |
8-M24x630 |
|
C200-1.4 |
3210 |
1060 |
1900 |
800 |
1200 |
980 |
495 |
1830 |
2900 |
850 |
400 |
400 |
8-M24x630 |
|
C200-1.5 |
3640 |
1250 |
2100 |
800 |
1200 |
980 |
495 |
1830 |
3200 |
900 |
400 |
400 |
8-M30x800 |
|
C200-1.6 |
3840 |
1450 |
2300 |
800 |
1200 |
980 |
495 |
1830 |
3400 |
950 |
400 |
400 |
8-M30x800 |
|
C200-1.7 |
4450 |
1450 |
2300 |
800 |
1200 |
980 |
495 |
1830 |
3800 |
850 |
400 |
400 |
10-M30x800 |
|
C200-1.8 |
4660 |
1660 |
2510 |
800 |
1200 |
980 |
495 |
1830 |
4000 |
900 |
400 |
400 |
10-M30x800 |
|
C250-1.2 |
2740 |
600 |
1430 |
800 |
1250 |
1050 |
620 |
1900 |
3400 |
950 |
500 |
450 |
8-M30x800 |
|
C250-1.3 |
2945 |
790 |
1635 |
800 |
1250 |
1050 |
620 |
1900 |
3450 |
950 |
500 |
450 |
8-M30x800 |
|
C250-1.4 |
3075 |
790 |
1635 |
800 |
1250 |
1050 |
620 |
1900 |
3650 |
850 |
500 |
450 |
10-M30x800 |
|
C250-1.5 |
3275 |
990 |
1835 |
800 |
1250 |
1050 |
620 |
1900 |
3900 |
850 |
500 |
450 |
10-M30x800 |
|
C250-1.6 |
4175 |
1140 |
2025 |
800 |
1250 |
1050 |
620 |
1900 |
4050 |
900 |
500 |
450 |
10-M30x800 |
|
C250-1.7 |
4215 |
1180 |
2065 |
800 |
1250 |
1050 |
620 |
1900 |
4050 |
900 |
500 |
450 |
10-M30x800 |
|
C250-1.8 |
4385 |
1350 |
2235 |
800 |
1250 |
1050 |
620 |
1900 |
4250 |
950 |
500 |
450 |
10-M30x800 |
|
C300-1.5 |
4155 |
990 |
1835 |
800 |
1250 |
1050 |
620 |
1900 |
3950 |
900 |
500 |
450 |
10-M30x800 |
|
C300-1.7 |
4385 |
1180 |
2065 |
800 |
1250 |
1050 |
620 |
1900 |
4050 |
900 |
500 |
450 |
10-M30x800 |
|
序號 |
標準供貨 |
選配供貨 |
||
|
名稱 |
數量 |
名稱 |
數量 |
|
|
1 |
鼓風機本體 |
1臺 |
進口過濾消聲器 |
1件 |
|
2 |
潤滑裝置 |
1套 |
出口消聲器 |
1件 |
|
3 |
電動機 |
1臺 |
出口軟接頭 |
1件 |
|
4 |
入口調節閥 |
1件 |
出口電動蝶閥 |
1件 |
|
5 |
聯軸器 |
1套 |
放空消聲器 |
1件 |
|
6 |
聯軸器防護罩 |
1件 |
放空電動蝶閥 |
1件 |
|
7 |
底座 |
1件 |
止回閥 |
1件 |
|
8 |
地腳螺栓、螺母、墊片 |
1套 |
一次儀表 |
1套 |
|
9 |
備品備件 |
1套 |
就地控制柜 |
1臺 |